一、視頻實拍
二、產品簡介
本廠專業生產LXS-15E~50E(冷水)、LXSR-15E~50E(熱水)系列旋翼多流濕式水表,本類水表的計數器浸入水中,表面的玻璃承受了水壓,傳感器與計數器的傳動是齒輪聯動的,水表讀數的清晰程度主要受水質的影響,在室內中應優先考慮選用此類水表。
三、工作原理
旋翼多流濕式水表的原理是水由水表進水口進入表殼內,經過濾水網,由葉輪盒的進水孔進入其內,沖擊葉輪,葉輪開始轉動,水再由葉輪盒上部出水孔經表殼出水口流向管道內,葉輪下部由頂針支撐著。葉輪轉動后,通過葉輪中心軸,使上部的中心齒輪也轉動,帶動葉輪盒內的傳動齒輪,按轉速比的規定進行轉動,帶動度盤上的指針,三角指針開始轉動后以十進位的傳遞方式帶動其它齒輪和上部指針,按照度盤上的分度值,從0開始按順時針的方向進行轉動,開始計量。
四、產品特點
1. 多流束;
2. 機械傳動;
3. 濕式計數器,始動流量小,保持計數機構滿灌;
4. 計數器型式有指針C型,字輪與指針組合顯示的E型及液封式F型可選;
5. 水平安裝;
6. 技術精度高,始動流量??;
7. 計量精度達到ISO4064 B級或者C級(R80/100/125/160)標準;
8. 高靈敏水表始動流量≤2L/h;
9. 能保持計數器機構滿灌(充滿水),防污性好,抄讀方便,外形美觀,安全衛生,使用壽命長;
10.可根據用戶需求生產同型號高靈敏水表;
11. 銅殼可噴塑或者本色;另外還有塑料表殼,鐵殼和不銹鋼表殼可供選擇;
12. 溫度等級:冷≤T50/熱T90;
13. 壓力等級:MAP10/MAP16;
14. 壓力損失等級:△P63;
15. 計數器可以8位字輪和1位指針或者5位字輪加上4位指針;
16. 可以根據用戶要求可增加遠傳脈沖輸出功能。
五、流量技術參數
| 型號 | 公稱口徑 | 英寸 | 計量等級 | Qmax | Qn | Qt | Qmin | 最小讀數 | 最大讀數 |
| 最大流量 | 常用流量 | 分界流量 | 最小流量 | ||||||
| DN(mm) | m3/h | L/h | m3 | ||||||
| LXS-15E | 15 | 1/2" | B | 3 | 1.5 | 120 | 30 | 0.00005 | 99999 |
| C | 22.5 | 15 | |||||||
| LXS-20E | 20 | 3/4" | B | 5 | 2.5 | 200 | 50 | 0.00005 | 99999 |
| C | 37.5 | 25 | |||||||
| LXS-25E | 25 | 1" | B | 7 | 3.5 | 280 | 70 | 0.00005 | 99999 |
| C | 52.5 | 35 | |||||||
| LXS-32E | 32 | 11/4" | B | 12 | 6 | 480 | 120 | 0.00005 | 99999 |
| C | 90 | 60 | |||||||
| LXS-40E | 40 | 11/2" | B | 20 | 10 | 800 | 200 | 0.00005 | 99999 |
| C | 150 | 100 | |||||||
| LXS-50E | 50 | 2" | B | 30 | 15 | 3000 | 450 | 0.00005 | 99999 |
| C | 225 | 90 | |||||||
| LXS-65E | 65 | 21/2" | B | 50 | 25 | 5000 | 750 | 0.00005 | 99999 |
| C | 375 | 150 | |||||||
| 型號 | LXS-15E | LXS-20E | LXS-25E | LXS-32E | LXS-40E | LXS-50E | LXS-65E | |
| 公稱口徑 | 毫米(mm) | 15 | 20 | 25 | 32 | 40 | 50 | 65 |
| 英寸 | 1/2" | 3/4" | 1" | 11/4" | 11/2" | 2" | 21/2" | |
| Q?(m3/h) | 3.125 | 5 | 7.875 | 12.5 | 20 | 31.25 | 50 | |
| Q?(m3/h) | 2.5 | 4 | 6.3 | 10 | 16 | 25 | 40 | |
| R80 | Q?(L/h) | 50 | 80 | 126 | 200 | 320 | 500 | 800 |
| Q?(L/h) | 31.25 | 50 | 78.75 | 125 | 200 | 312.5 | 500 | |
| R100 | Q?(L/h) | 40 | 64 | 100.8 | 160 | 256 | 400 | 640 |
| Q?(L/h) | 25 | 40 | 63 | 100 | 160 | 250 | 400 | |
| R125 | Q?(L/h) | 32 | 51.2 | 80.64 | 128 | 204.8 | 320 | 512 |
| Q?(L/h) | 20 | 32 | 50.4 | 80 | 128 | 200 | 320 | |
| R160 | Q?(L/h) | 25 | 40 | 63 | 100 | 160 | 250 | 400 |
| Q?(L/h) | 15.62 | 25 | 39.37 | 62.5 | 100 | 156.2 | 250 | |
| 最小讀數(m3) | 0.00005 | 0.00005 | 0.00005 | 0.00005 | 0.00005 | 0.00005 | 0.00005 | |
| 最大讀數(m3) | 99999 | 99999 | 99999 | 99999 | 99999 | 99999 | 99999 | |
| 最大承受壓力(MAP) | 16 | 16 | 16 | 16 | 16 | 16 | 16 | |
| 壓損(ΔP) | 63 | 63 | 63 | 63 | 63 | 63 | 63 | |
| 最高溫度 | T50 | T50 | T50 | T50 | T50 | T50 | T50 | |
六、最大允許誤差
?、?低區(Q?≤Q<Q?)最大允許誤差為±5%
?、?高區(Q?≤Q≤Q?)最大允許誤差為±2% (熱水表±3%)

七、壓力損失曲線

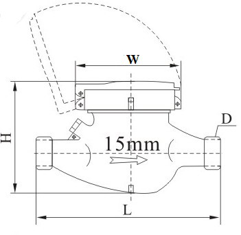
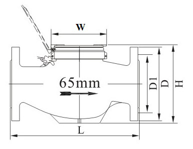
八、外形及規格尺寸
![]() | ![]() |
| 型號 | 公稱口徑 DN | 長 L | 寬 D | 高 H | 連接螺紋 |
| mm | D | ||||
| LXS-15E | 15 | 165/190 | 98 | 104 | G?B |
| LXS-20E | 20 | 190/195 | 98 | 106 | G1B |
| LXS-25E | 25 | 260/225 | 103 | 115 | G1?B |
| LXS-32E | 32 | 260/230 | 103 | 115 | G1?B |
| LXS-40E | 40 | 300/245 | 124 | 153 | G2B |
| LXS-50E | 50 | 300 | 124 | 153 | G2?B |
| 280 | 165 | 175 | 法蘭連接 GB 4216.4 | ||
| LXS-65E | 65 | 280 | 165 | 179 | |
九、注意事項
由于旋翼多流濕式水表的全部部件浸在水中,因此在玻璃下有水或氣泡是正常現象。使用中如發現表面污染影響讀表,一般是因為管道陳舊、水質較差或位置在管路末端造成。最好每隔兩年清洗一次,但要注意需要重新校驗后才能繼續使用。